Your cart is empty

Close

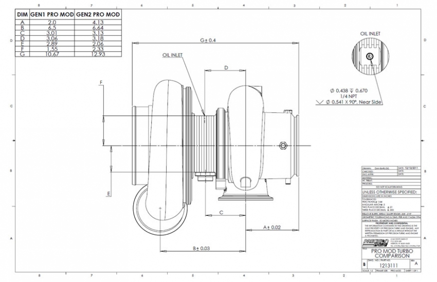
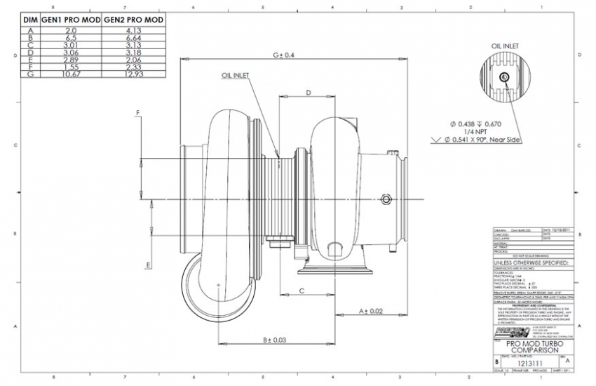
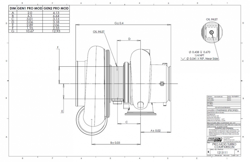
GEN1 vs GEN2 Pro Mod Turbo Sizing Information

GEN1 vs GEN2 Pro Mod Turbo Sizing Information

Technical drawing and sizing information for GEN1 vs GEN2 Pro Mod turbochargers.