Turbonetics is now part of Precision Turbo & Engine. You’re in the right place.
INTRODUCING THE ALL-NEW 8891 NEXT GEN
SERVICE YOUR TURBOCHARGER TODAY
INTRODUCING THE ALL-NEW 7675 MFS
Your cart is empty
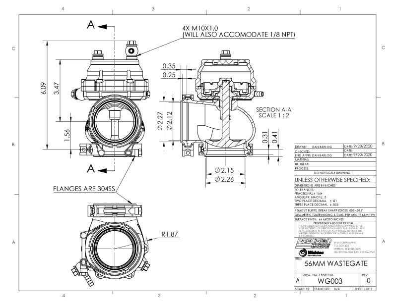
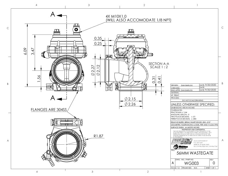
Technical drawing and sizing information for the PTE 56mm external wastegate.