SERVICE YOUR TURBOCHARGER TODAY
INTRODUCING THE ALL-NEW 7675 MFS
REMANUFACTURED TURBOCHARGERS
Your cart is empty
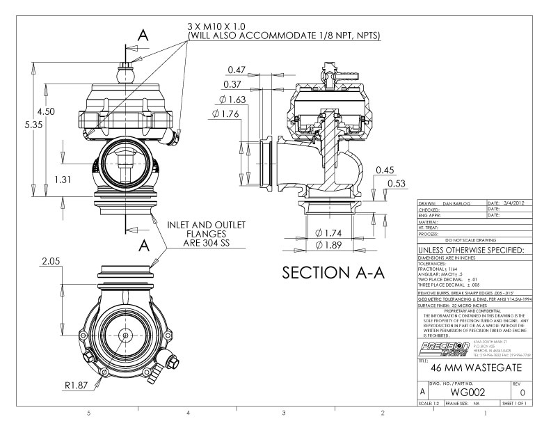
Technical drawing and sizing information for the PTE 46mm PW46 (PBO085-2000) external wastegate.